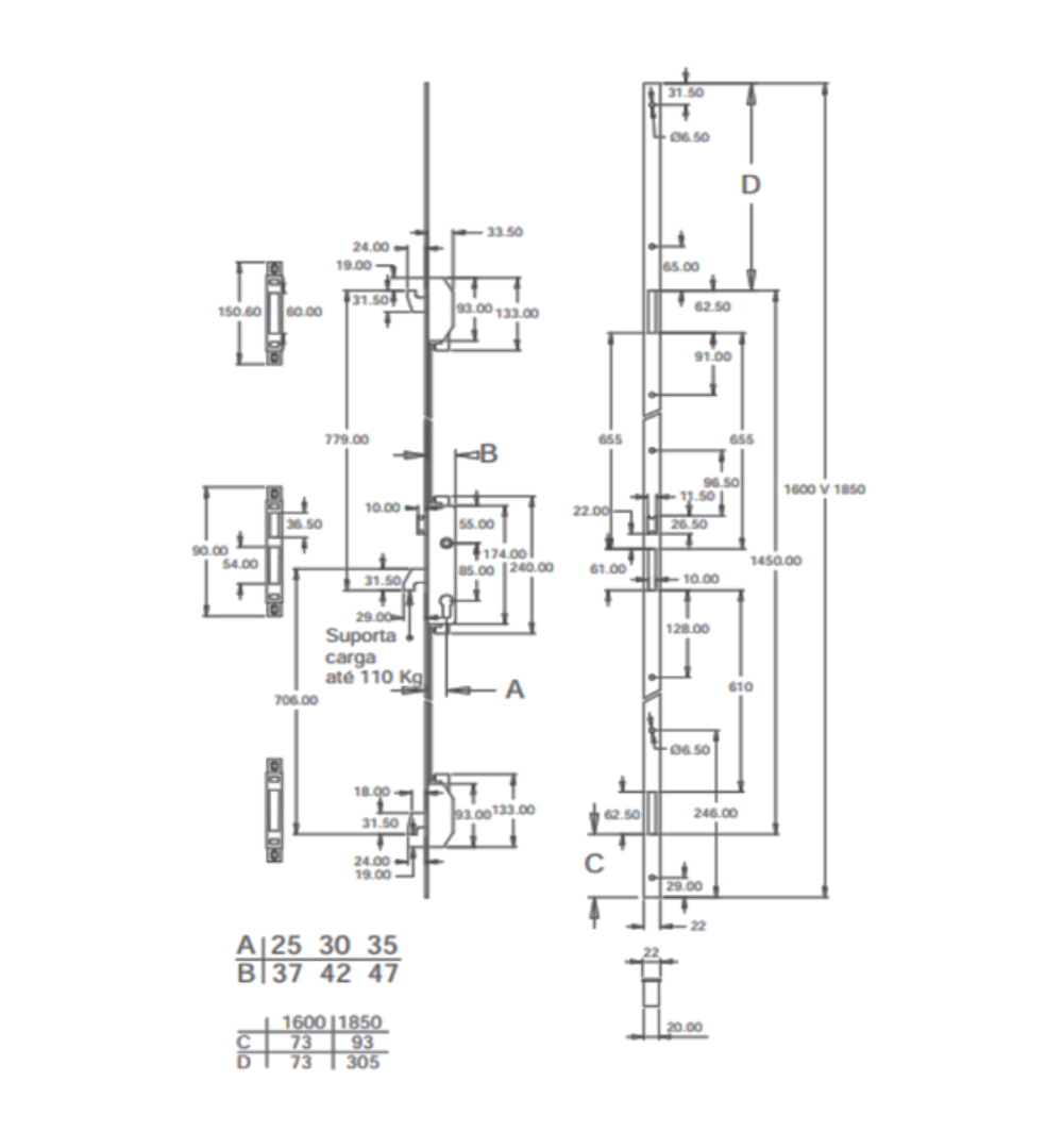
CERR.3PTOS PALA -RESB E/35 REF.7799 FRENTE «U»

Código 50-3000431-00 Categoría

Marca: GNS

Compartir: